Wire reels

At Menzilmann Industries, we manufacture plywood wire reels designed for strength, flexibility, and cost-efficiency. Built to international standards and tailored to your needs, our reels are trusted by cable manufacturers, exporters, and distributors across Gauteng and South Africa.

Our plywood reels are widely used for electrical, telecoms, fiber optic cable, rope and cord products as well as industrial packaging.

Why Choose Menzilmann Plywood Spools?

  • Lightweight & Durable – Easy to handle and transport while maintaining strength.

  • Export Ready – Ideal for international shipping.

  • Faster Customs Clearing – Exempt from ISPM 15 regulations, reducing delays at borders.

  • Sustainable Choice – All plywood and cardboard components are FSC Certified, ensuring responsible forestry practices.

  • Cost-Effective – More affordable and adaptable than plastic injection-moulded alternatives.

  • Proprietary calculator - We are able to determine the size spool needed based on specific cable diameters and lengths to aid in designing the most cost effective solution.

Value added Services

  • We provide detailed CAD drawings for approvals, helping you visualize and fine-tune your reel design before production

  • Fast delivery across Gauteng and greater South Africa

  • Custom branding on flanges for easy identification (with in-house stencil design for additional savings)

Production Capabilities

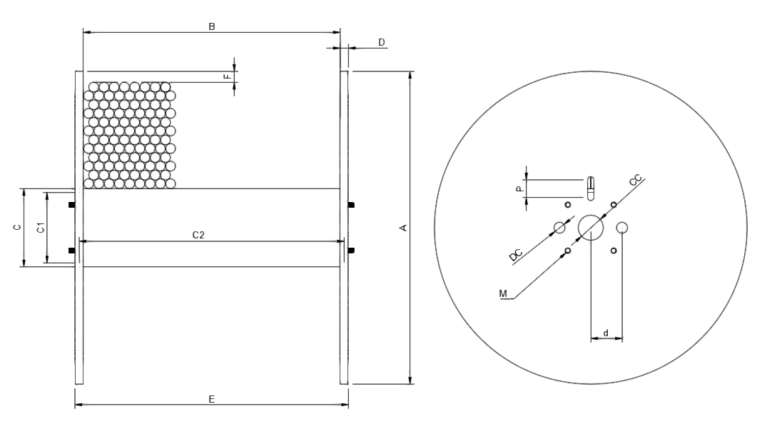
We manufacture high-quality plywood spools with flange diameters ranging from 200mm to 1200mm, and flange thicknesses from 4mm to 32mm.

Cores can be made from high density cardboard, plywood or PVC pipe.

View Portfolio

Standard Range

Menzilmann Industries has developed a standard range of plywood wire reels based on international benchmarks. Please contact us to request a copy.