Cable Drums

Custom-Built for Power, Telecoms & Industrial Use

At Menzilmann Industries, we manufacture high-quality wooden cable drums to your exact specifications. Based in Vereeniging, Gauteng, we supply durable and cost-effective solutions to contractors and cable manufacturers across South Africa.

Whether you need a heavy-duty timber drum for power transmission cables or a lightweight wooden spool for fibre optics, our team delivers precision, strength, and fast turnaround — all with carefully selected, premium-grade wood that is ISPM-15 and FSC-certified.

large wooden cable drum. 3D render.

Why Choose Menzilmann Cable Drums?

  • Custom Sizes & Designs
    Every drum is built according to your required specifications — preventing cable damage and ensuring easy handling.

  • Durable Construction
    Crafted only from selected quality FSC-certified, kiln-dried timber, with options for reinforced flanges and thicker boards for heavy-load applications.

  • Competitive Pricing
    Our local manufacturing base and streamlined operations keep costs low, without compromising on quality.

  • Sustainable Timber
    All wood is sourced responsibly and heat-treated to ensure long service life and export compliance.

  • Design
    We are equipped to determine reel or spool sizes based on cable diameter and length using a proprietary calculator. Our team can also run simulations to confirm that each design is viable before production.

Value added Services

  • In House CAD design support for custom builds

  • Fast delivery across Gauteng and greater South Africa

  • Repair & re-use programs for cost savings

  • Custom branding on flanges for easy identification (with in-house stencil design for additional savings)

Production Capabilities

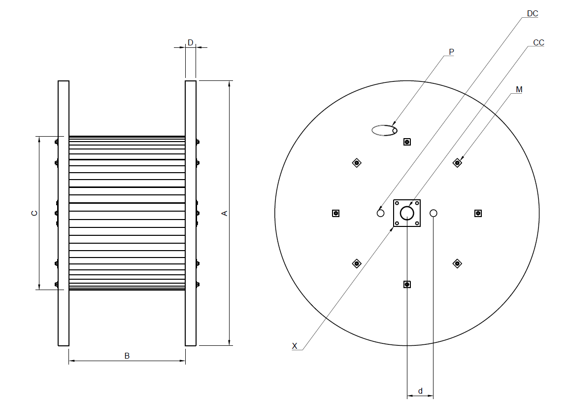
We manufacture high-quality wooden cable drums with flange diameters ranging from 500mm to 3500mm, and flange thicknesses from 38mm to 100mm. Our client-focused working method ensures efficiency while allowing us to design and produce cable reels tailored to each client’s unique specifications.

To guarantee durability and reliability, we use only premium-grade, kiln-dried lumber sourced from FSC-certified forests.

All metal flange plates, bushings, and centre columns are fabricated in-house by our experienced boilermakers, enabling quick adjustments to the final product when needed.

View Portfolio

Standard Range

Menzilmann Industries has developed a standard range of wooden cable drums based on international benchmarks. Please contact us to request a copy.

Counter sunk washers

We have established a strategic partnership with local manufacturers to effectively produce counter sunk washers. These innovative washers allow tie rods to be securely fastened below the surface of the flange, which significantly decreases the potential for shearing and reduces the risk of damage to other drums in the process.

countersunk washers for M12 bolts
Request a Quote